-
Guaranteed Fitment
Always the correct part
-
In-House Experts
We know our products
-
Added Value
FREE in house engineering and design assistance
-
Wordwide Delivery
Free shipping on all Harrington orders over 500LBS
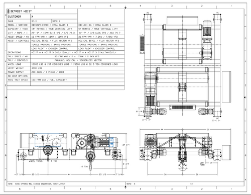
Top Running Double Girder Main / Auxiliary, Capacity: 16.50 Ton / 5.50 Ton, Hoist Lift Speed: 13.00 FPM Max / 26.00 FPM Max, Trolley Speed: 80.00 FPM Max, Trolley Gauge: 72.0000", DB33A29-13-DB11A41-26, Detroit

Top Running Double Girder Main / Auxiliary, Capacity: 16.50 Ton / 5.50 Ton, Hoist Lift Speed: 13.00 FPM Max / 26.00 FPM Max, Trolley Speed: 80.00 FPM Max, Trolley Gauge: 72.0000", DB33A29-13-DB11A41-26, Detroit
Enhance your industrial operations with the Top Running Double Girder Main/Auxiliary Crane, a powerful solution designed for both heavy lifting and precision handling. With its impressive capacities of 16.50 tons for the main hoist and 5.50 tons for the auxiliary hoist, this crane ensures productivity and efficiency in any indoor application.
Engineered for dependable performance, the DB33A29-13-DB11A41-26 crane features state-of-the-art technology that meets rigorous CMAA Class specifications for indoor service, making it ideal for bustling industrial environments. The crane's robust construction and advanced variable frequency drive controls provide the perfect blend of strength and precision, giving you complete confidence in your material handling operations.
- Main and auxiliary hoist design for versatile lifting capabilities.
- 4-part reeving system allows for a true vertical lift height of 29 feet and 1 inch.
- Hoist lift speed of up to 13.00 feet per minute for the main hoist and 26.00 feet per minute for the auxiliary hoist.
- Powerful 7.5 kW and 10.4 kW hoist motors ensure consistent and reliable performance.
- Closed-loop vector VFD control for smooth and accurate load handling.
- Maximum trolley speed of 80.00 feet per minute for efficient horizontal load movement.
- Synchronized trolley motors (2 x 0.75 kW) deliver reliable positioning and maneuverability.
- Robust trolley gauge of 72.0000 inches for ample clearance during material handling.
- Constructed with premium grade graphite ductile iron wheels and sheaves for enhanced durability.
- UL508A c UL us listed industrial control panel designed for reliability and safety.
- Comprehensive overload protection and dynamic braking systems for optimal safety during operations.
- Engineered for harsh environments, meeting the demands of atmosphere class D conditions.
With an approximate weight of 4000 lbs, the DB33A29-13-DB11A41-26 crane offers exceptional stability and structural integrity during operation. Its high-performing specifications, combined with meticulous safety features and user-friendly controls, make it the premier choice for manufacturers looking to optimize their material handling processes. Invest in efficiency, reliability, and safety with the Top Running Double Girder Crane, the backbone of your industrial operations.